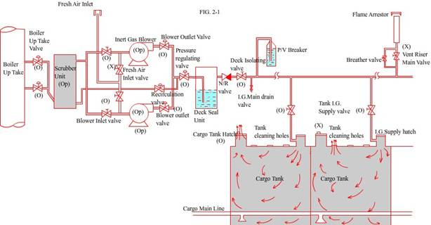
OPERATION OF INERT GAS SYSTEM
The
term purging is used in this manual to mean the introduction of I.G. into a
cargo tank with the object of reducing the hydrocarbon content and/or further
reducing the oxygen content.
Purging
is carried out by dilution method or displacement method.
o
Dilution method
Dilution method means forced mixing with high velocity injection of
I.G.
On a vessel which is not fitted with purge pipe in cargo tanks, this
method is applies. In this case, the tank atmosphere is diluted by inert gas.
Diluted gases are emitted to atmosphere.
o
Displacement method
Displacement method means changing of tank atmosphere by utilization of
density difference between inert gas, hydrocarbon gas and fresh air. On a
vessel is fitted with purge pipe in cargo tanks, this method is applies. In
this case, I.G. being supplied should be kept at proper velocity to prevent
minimize forced mixing in cargo tanks.
Gases are emitted to atmosphere through the purge pipe.
The tank atmosphere is therefore displaced by inert gas.

The following objective are achieved by purging.
o
The primary inerting of cargo tanks after delivery of the vessel or dry
docking
o
The restoration of a satisfactory inert atmosphere, if for any reason,
unsatisfactory Inert Gas was present
o
The reduction of the content of hydrocarbon gases
Precautions
o
In the dilution method, opening for gas release to atmosphere should be
far away as possible from the inlet in order to ensure the required gas
circulation within a cargo tank
o
The O2 content of supplied I.G. must normally be kept less than 5%
o
When the O2 content of the cargo tanks is reduced below 11.5%, the tank
atmosphere will reach a non flammable condition but it is necessary to further
reduce the O2 content below 8% as measured at. outlet position gas/air to
increase the safety factor
o
The velocity injection of I.G. is important for both Displacement and
Dilution methods. Therefore it is necessary to consider how many tanks are
purged simultaneously.

Cargo Loading, Ballasting of
cargo tanks (Heavy weather ballast)
Inert gas is not supplied to tanks when loading or ballasting. For
these, operations, gas from the cargo tanks is vented through the Inert Gas
Mainline in proportion to the increase in the liquid levels.
Precautions
Before loading cargo or ballast, the following items must be confirmed.
o
I.G. supply valves at each cargo tanks are open
o
Vent riser main valve is open
(above two items are very important to avoid structural damage.)
o
Deck isolating valve is closed
o
Seal water level of deck seal unit shows correct reading
o
Seal liquid of the P/V breaker is at the proper level.
Duty officer must check that the mesh of the flame arrester is not
blocked (check at least 24 hours prior use).
Duty officer must ensure that the cargo oil or ballast water does not
overflow into the I.G. supply line. This is because the diameter of the I.G.
supply line is less than that of the cargo lines and structural damage could
occur due to over pressurizing.
The vent riser main valve must be shut after completing loading cargo
or ballasting.

Discharging Cargo,
Deballasting (Heavy weather ballast)
The I.G.S. operation is same procedure when discharging cargo at
loading port or deballasting on passage.
In this case, the I.G. is supplied to the cargo tanks at a rate at
least equal to the discharge rate.
At the discharging port, the I.G.S. must be operated BEFORE commencing
discharge of cargo.
Precautions
o
Tank pressure should always be kept more than 200 mm.Aq of positive
pressure
o
In the case of taking soundings etc., then to release pressure by
opening of the mastriser valve, and then measure as soon as possible in order
to avoid fresh air entry to the tanks.
o
After completion of the above work, close mastriser valve, and top off
with IG as/ if required.
o
Insufficient supply capacity
of I.G. comparing with the discharging rate causes a vacuum in the tank and can
result in structural damage.
Therefore I.G. supply capacity must exceed the discharging rate
(volume) in order to have positive pressure.
o
In case it is impossible to maintain positive pressure with one blower
out of order, then slow down the discharging rate
o
The I.G. that is being supplied should normally have an O2 content of
below 5% but there is a possibility it may increase due to alteration of the
load on the boiler. I.G. with an O2 content up to 8% is acceptable for short
period of time.
o
In case of a light load on the boiler and insufficient supply of good
quality O2 content I.G., increase boiler load
o
After completion of discharging cargo, tanks are to be pressurized
o
In the case of ballasting after completion of discharge, the tanks may
be pressurized.

Total Failure
The
term "TOTAL FAILURE" is used to mean that when it is impossible to
supply inert gas into the tanks due to equipment failure.
When
total failure occurs while discharging cargo, the following procedures should
be followed.
o
Discharging of cargo should be STOPPED
o
If there is insufficient
pressure in the tanks, only then
open the ventriser main valve to avoid causing a vacuum in the tanks
o
Notify terminal. Advise terminal and charterer estimated time to repair
inert gas system. Investigate cause and if possible carry out repairs.
IMPORTANT
If
the inert gas plant breaks down during discharge and air enters the tank, no
dipping, sampling or other equipment should be introduced into the tank for 30
minutes after the cessation of the inert gas.
After
30 minutes equipment may be introduced provided that all metallic components
are securely earthed.
During
the re-inerting of a tank following a breakdown and repair of the inert gas
system, no dipping, ullaging, sampling or other equipment should be inserted
until it has been established that the tank is fully inerted.
This
should be done by monitoring the efflux gas from the tank being inerted, when
it is known that the efflux gas is fully representative of the gas condition
throughout the tank. However, if it is necessary to introduce a gas sampling
system into the tank for this purpose, there should be a wait of 30 minutes
following the cessation of inert gas injection before insertion of the sampling
system.
Metallic
components of the sampling system should be securely earthed.
During
the initial inerting of a non-gas free tank, the sample precautions should be
taken as when re-inerting after breakdown and repair of the inert gas system.
The
earthing of introduced metallic conducting equipment as recommended above must
be maintained until 5 hours have elapsed from the cessation of inert gas
injection.
Crude Oil Washing (C.O.W.)
o
Prior to commencing C.O.W., confirm O2 content of tanks is below 8%
o
During C.O.W., the O2 content of I.G. being supplied should be below 5%
o
When due to insufficient load on the boiler, the O2 content of the
delivered IG goes over 8%, C.O.W. must be stopped.
Boiler Load
Diesel
Vessels
In port
In
diesel vessels where the boiler output is based on the demand cargo pumps, flue
gas of good quality O2 content should be available.
When
final stripping or slow discharging is required and good quality inert gas can
not be obtained, boiler load should be increased.
This
can be done as follows;-
o
Operate clean ballast pump sea to sea
o
Idling deck machinery. (Winch, Windlass, etc.)
On
passage
To
obtain I.G. on passage through operation of the auxiliary boiler, the load on
the boiler must be created by the following: -
Operate
clean ballast pump sea to sea
Idling
deck machinery. (Winch, Windlass, etc.)
If
possible and lines provided to dump steam then using tank cleaning heater.
It is
possible to decrease the air necessary for boiler combustion to smoke limit by
changing over ACC installation from auto to manual after increasing the boiler
load as described above.

Loaded Passage
Air
is likely to enter the cargo tanks due to variations in the air/sea
temperatures. However, this can be prevented by keeping a positive pressure on
the cargo tanks whenever the vessel is under-way at sea. To give the required
protection, pressurization has to be done at the start of the voyage. (In heavy
weather, when rolling, pressure changes may cause opening of the vent riser
breather valve for release of excess pressure.)
Pressure
should be recorded on a daily basis. This will help to determine when
repressurization will be required to remain above the alarm setting.
PRECAUTIONS as follows
Ballast Passage
Pressurization
at discharge port.
To
prevent air entering the cargo tanks on the BALLAST passage, the cargo tanks
should be pressurized before leaving the discharge port.
After
sailing from the discharging port, if the cargo tanks contains unsatisfactory
pressure and it is necessary to improve the tank condition by pressurizing with
good quality IG.
O2
content in tanks must always be maintained below 8%.
Tanks
must always be maintained at positive pressure of over 200 mm.Aq.
Tank
pressure brought up to approximately 750 mm.Aq initially will be subject to
range of pressure variation due to temperature and lapse of time. However, O2
content will not appreciably change.
If
daily record of tank pressure indicates pressure decreasing to less than 200
mm.Aq, the tank should be pressurized with good quality I.G.
Loaded Passage (Full Cargo)
On
completion of loading, the vent riser main valve should be closed, and pressure
adjustment in the tanks is controlled by the breather valve.
The
ullage space in the tanks are usually then in an over rich condition.
If
necessary, pressurize with I.G.
Tank
pressure may decrease due to small gas leakage from tank cleaning holes and
hatches.
In
cold weather, the temperature will tend to reduce the pressure in the ullage
space.
If
the tank pressure indicates vacuum, pressurize with I.G.
In
rough sea the pressure in the ullage space is influenced by the ship's
movement. Therefore, pay strict attention to the deck main pressure gauge.
Tank Cleaning (Water washing)
During
tank cleaning, there are conditions which could produce ignition and explosion.
e.g.
o
Sparks caused by equipment/fittings falling down inside the tank
o
Static electricity produced by water jets from cleaning machines.
It is
therefore essential to ensure that the tanks are fully inerted to less than 8% O2
content prior to commencing and during tank cleaning.
FIXED TANK CLEANING MACHINES (Crude Oil
washing/ water washing)
Before
commencement of tank cleaning, measure the O2 content of the tank atmosphere.
While tank cleaning is in progress, maintain positive pressure throughout by
operating the I.G.S.
Any
pressure built-tip while tank cleaning can be released through the vent riser
main valve.
PORTABLE TANK CLEANING MACHINES (Water
Washing)
If
necessary, these machines are used for additional cleaning, especially before
dry docking or tank inspection.
During
this operation, tank cleaning holes are open, and air may enter the tanks.
Therefore,
the I.G.S. must be operated and the tanks being cleaned supplied with I.G. to
continuously maintain a positive pressure and O2 content less than 8%.
Precautions
o
Measure the O2 content in the tanks which are scheduled for washing
prior to commencing tank cleaning
o
If the measurementof O2 content indicates over 8%, purging of the tank
must be started
o
During tank cleaning, continuously maintain positive pressure in excess
of 200 mm.Aq.
o
O2 content of the I.G. being supplied is normally less than 5%, but
must not be permitted to exceed 8%
o
If the O2 content of the I.G. supplied exceed 8%, stop supplying I.G.
Also stop the washing.
o
If there is insufficient time for purging all tanks which are scheduled
for washing before tank cleaning, simultaneous operation of cleaning one tank
and purging another tank can be carried out.
Example
1
Measure
tank pressure and O2 content and confirm over 200 mm.Aq and below 8%
respectively. After that operate I.G.S. and commence tank cleaning with fixed
machine
o
If no problems are encountered during operation, tank cleaning can be
continued until completion
o
When O2 Content of I.G. being supplied can not be maintained below 8%,
stop supply of I.G. and then if O2 content in tank below 8% and tank pressure
maintained over 200 mm.Aq, tank cleaning can be carried out on continuously
o
When tank pressure is below 200 mm.Aq and/ or O2 content in tank is
over 8%, tank cleaning with fixed machines must be stopped.
Example 2
When tank cleaning is carried out without the I.G.S, in gas free
condition, portable machines only should be used
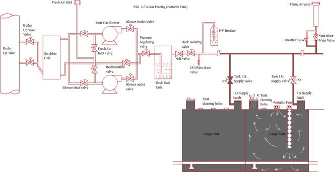
Gas Freeing
Before gas freeing is carried out either in preparation for dry docking
or repairs, it is important to recognize the procedure necessary in order to
avoid flammable mixture in the cargo tanks when air is introduced.
To ensure the tank atmosphere does not pass through the explosive range
when gas freeing, the tank has to be purged with I.G. until the hydrocarbon gas
content is below the Critical Dilution Line.

Gas freeing there are five methods as follows.
o
Gas freeing by portable blower
o
Gas freeing by inert gas blower
o
Gas freeing by fixed blower (External High Capacity Blower)
o
Gas freeing by combined portable and inert gas blowers
o
Gas Freeing by ballasting.
Gas Freeing By Portable
Blower

This gas freeing is usually accomplished by the use of several blowers.
Precautions
o
I.G. supply valve of the tanks should be closed and blank flanges
fitted
o
Some of the blowers should be fitted with flexible ducts
o
Combination use of blowers with and without ducts is considered
preferable
o
Exhaust openings should be as far away as possible from the sources of
fresh air supply
Gas Freeing By I.G. Blower

Precautions
o
Exhaust openings should be as far away as possible from the source of
fresh air supply
o
All I.G. supply valves other than the tanks to be gas freed must be
closed
o
If the time of gas freeing extends over a long period, attention must
be paid to the tank pressure on other tanks which may be affected by
temperature alteration
o
In the case of small tanks, it is sometimes impossible to gas free them
due to the fresh air from the blower not reaching the bottom half of the tank.
In this case, portable blowers with a flexible duct should always be used.
Gas Freeing By Fixed Blower
(Golar Vent)

Precautions
o
The cargo pipe line should be washed by sea water and then drained
completely
o
Tank bottom should also be drained as dry as possible
o
I.G., supply valve at the tanks should be closed and blank flanges
fitted
o
A suitable number of cleaning holes or I.G. supply hatch should be
opened as necessary
o
When cleaning work on other tanks is being carried out at the same
time, keep the pressure around 750 mm.Aq in the tanks being cleaned to prevent
the possibility of fresh air leaking back through the cargo pipe lines from the
tanks being gas freed.
Gas Freeing Combining The Use Of
Portable Blowers And I.G. Blower
Fig. 2-7D Next page
Refer to items A and B.
CAUTION!
When entering tanks gas freed by any the above mentioned methods, it is
essential to pay strict attention to the possibility of the existence of
pockets of hydrocarbon gas still being present even after the hydrocarbon and O2
content has been checked and found to be satisfactory. (O2 21 %) (H/C <1%LEL)

MEASUREMENT OF OXYGEN and HYDROCARBON GAS CONTENT and PRESSURE
In order to keep the atmosphere within non-flammable limits it is
necessary to check and understand the oxygen and hydrocarbon gas content in the
tanks. For this reason, the measurement of the oxygen and hydrocarbon gas
content and the checking of the tank pressure is Important and should be done
correctly by the appropriate means.
Measurement should be done:-
o
By proper instrument - calibration checked
o
At required measuring locations and depths
o
At required time intervals
Precautions
During Measurement
When
the measurement of the oxygen and hydrocarbon gas content and pressure is made,
the following, points should be noted for a safe and correct operation.
The
Chief officer is responsible for taking all measurement. If the Chief officer
cannot personally take measurement for whatever reason, another officer must be
delegated to take his place. In such case, he must inform the Chief officer of
his finding and obtain his advice before next work
The
measuring instruments must be maintained regularly and also be checked and
adjustment before using
Be
careful during measurement not to inhale gas
Be
careful that nothing can fall into the measuring opening
Before
entering any enclosed space, take measurement of gas and oxygen
When
measurement is taken, at least two persons should be engaged in the work. i.e.
One to carry out measurement and other to maintain safe distance.
Measuring Instruments and Their Range.
Oxygen
content analyzer RIKEN OA-225R
o
This instrument is "Intrinsically safe"
o
Before using, carry out "range check" with fresh air
o
The Sensor's life is about one year, but its life becomes limited
according to the frequency of use
o
Even if not used in a year, renew it annually
o
When not inuse the instrument sensor to be capped and sealed
o
Dipping the sensor into water or keeping it in a wet atmosphere is to
be avoided
o
If used in Flue Gas directly from boiler this gas is to be cooled and
then it can be measured properly.
Hydrocarbon gas content analyzer
RIKEN
type 18 & type 21
o
Instrument for gas content low range measurement (measuring range 0-2%)
o
Before using, carry out "range check" with fresh air
o
Before working inside tanks or whenever checking the gas free condition
for entering drydock, only this type of instrument must always be used. Do not
use the M.S.A. TANKSCOPE for testing to decide if it is safe to work inside
tanks
o
In an atomosphere containing Inert Gas and Hydrocarbon gas it is
impossible to measure the Hydrocarbon gas content correctly because this
instrument also collects CO2 gas together with Hydrocarbon gas.
In this case the M.S.A. TANKSCOPE must be used.
For instance, when purging a tank by Inert Gas withO2 content 5%, even
if measurement for hydrocarbon gas was taken by "RIKEN- 1 8 " or
"RIKEN-21 ", the correct hydrocarbon gas content cannot be obtained
because these instruments collect both hydrocarbon gas and CO2 gas.
o
When the battery is changed, it must only be done inside the
accommodation. It is prohibited to change in a place where gas may exist or can
enter.
M.S.A. Tankscope
o
This is the instrument for measurement of hydrocarbon gas in the 0-20%
range
o
Before measurement, a battery check and zero check must be done
o
This instrument is "Intrinsically safe"
o
When the gas content is less than 2%, the "RIKEN-18" or
"RIKEN-21" should be used
o
As the filament-units life (2 spares set in the instrument) depends on
the measuring frequency or gas content, its life may be limited and must be
checked
More
measurement of high content gas, the shorter the life.
o
When the battery is changed, it should only be done inside the
accommodation. It is prohibited to change in a place where gas may exist or can
enter.
Measuring
The following diagram shows the measuring range of the above-mentioned
three types of instrument.

Important Points in Taking
Measurements in Tanks.
Selection of measuring locations for oxygen and hydrocarbon content
will depend on the operation, tank size and tank construction. For example,
measurement of the atmosphere in tanks where the gas is moving such as during
purging or gas freeing is different for that required in a tank which is static
during the voyage.
Gas distribution is not always uniform, therefore it is necessary to
measure hydrocarbon and oxygen at different locations and depths. Measurement
at one location and depth may not always be sufficient and certainly additional
measurements will be necessary where pockets of gas are likely to be found i.e.
near to tank bottom and in corners in way of tank structure.
In general, when measuring oxygen, the upper part of the tank is the
most important, and for hydrocarbon gas, the lower part of the tank is the most
important.
When purging, gas inlet speed and the location and number of tank
openings are very important to ensure the required atmosphere changes are
taking place within the tank.
Measuring Points While Purging.
Gas distribution within cargo tanks during purging depends on many
factors e.g. type of crude, velocity of inlet gas and tank structure. Just
after commencing purging, it is therefore very important to measure several
locations in the tanks to establish the gas distribution so that as the
operation proceeds it is possible to confirm whether the gas concentrations are
changing as required.
When purging, gas release to atmosphere through a deck opening(s)
should be as far away as possible from the Inert Gas supply inlet.
Thefollowing points will assist in maintaining the gas inlet speed:-
o
the area of the opening should be sufficient to ensure gas release is
not restricted. If the area is too small, the tank pressure will increase and
gas inlet speed will be reduced
o
the deck main pressure should be kept as high as possible to maintain
the gas inlet speed to the tank(s)
o
the number of tanks OPEN for purging at any one time.
REMARK : When the tank atmosphere lies in the
SHORT TANK

Purging is permitted in two small tanks at the same time. But the
following points are to be noted.
If after taking the above measurement twice, oxygen content is changing
in the same ratio then measurement need only be made at the gas outlet. If not,
the decrease of oxygcn content at, the bottom point is slower than at the other
points, it indicates that Inert Gas is not reaching the bottom. In this case, only
one tank should be purged.
LONG TANK

In early stage, measure at points A, B, C, and A’, B’, C’ continuously.
If the decreasing ratio of O2 content at point A is slower than at B, then
measure the point A continuously until operation is completed.
The effect of purging causes pockets as above, but these will disappear
as the purging continues.
SHORT TANK

If purging too fast in a short tank or in slop tanks, the atmosphere in
the lower part of the tank can be compressed by gas pressure and therefore not
mix.
In this case, it is better to reduce the inlet velocity by reducing the
Deck Main Pressure,
Measure the point A.B.C.
If the decrease of O2 content at points A, B, are slow, the above
mentioned compression may have occurred.
Measurement Point While Gas Freeing.
While gas freeing, the gas distribution in tanks depends especially on
the way the gas freeing operation is being carried out.
If the method of gas freeing operation is not correct, it is time
wasting and pockets of gas are likely to remain.
The important consideration while gas freeing:
o
number of deck openings
o
velocity of inlet gas
o
location of inlet/outlet relative to each other.
Gas measurement is not only for the gas condition in the tanks but is
also the best means of checking the success of the gas freeing operation.
Hereunder, we show an example of gas freeing and explain the
measurement points.
LONG TANK (Using portable
blower)
SWASH BHD has enough opening. Using 2 sets of turbine blowers
1 set with duct 1 set without duct, also fit a duct to gas outlet side

If tank capacity is more than 20,000m3 , 4 sets of blowers should be
utilized.
SHORT TANK (Using portable
blower)

If gas freeing from tank top especially in SHORT TANKS or slop tank,
atmosphere in tank bottom is compressed and air does not mix with the gas.
In this case the duct should always be used.
Bottom part is compressed and would not mix with air.
LONG TANK (Using portable
blower)
SWASH BHD has not enough opening.

It is considered impossible to gas freeing by Inert Gas Blower.
Therefore use four(4) portable blowers, i.e. two with duct and two without
duct.
Point A and A' hydrocarbon are most likely to remain.
SHORT TANK (Using inert gas
blower)

Gas freeing by means of using the Inert Gas blower should be done one
or two tanks at a same time, and the deck main pressure should be kept
sufficiently.
As there is no HORIZONTAL GIRDER under the SUPPLY HATCH, fresh air
reached the tank bottom and tank gas freed quickly.
SHORT TANK (Using inert gas
blower)
There is no SWASH BHD but there is a HORIZONTAL GIRDER directly under
the INERT GAS SUPPLY HATCH.


In the top figure, six(6) times atmosphere changes have taken place but
the O2 content in the bottom under the IG supply hatch (point) A' is almost
unchanged.
After that, a portable duct was inserted into the opening (gas outlet)
and gas freeing continued. After about two hours the O2 content reached over
20%.
The point where it takes the longest time for oxygen content to reach
20%.
Measure the points A.B.C. and A'B'C' twice. After that measure the
points A and A' at frequent
intervals until gas freeing is completed. Especially at point A'
hydrocarbon gas is most likely to remain.
SHORT TANK (Using inert gas
blower)

Deck main pressure should be kept sufficiently. Gas freeing should be
done tank by tank.
Gas freeing is difficult in places where hull structure is complex such
as the Fore and Aft tanks. In this case, special attention should be given to
arranging the DUCT to the place where gas is most likely to remain.
Measurement Points in Tanks.
BEFORE AND DURING TANK CLEANING
Before tank cleaning
Oxygen content should be measured at three different depths, that is at
upper, middle and bottom points in the cargo tank through the ullage hole.
During tank cleaning
Measurement of oxygen content is not necessary while positive pressure
is maintained in the tanks.
In case measurement is required during tank cleaning, stop the cleaning
machines to protect the sensor of the instruments from splash water.
CARGO DISCHARGING
Generally, it is not necessary to measure oxygen and hydrocarbon gas
content.
Should measurement be required, should be done at three different
depths, that is upper, middle and bottom points in the cargo tanks through the
ullage hole.
Measurement of Tank Pressure
Tank pressure should be checked every day taking the following
precautions.
Tank pressure can be measured by compound gauge fitted on the deck main
line.
This pressure gauge reading is transmitted to the CCR and
Check the compound gauge by comparison with the manometer or direct
reading gauge and allow for any difference.
Drain out the sensing tubes (if sensor type fitted) to ensure correct
indication.
Relations Between Injection
Velocity of Inert Gas/Fresh Air and Its Effective Attainment Distance
For Dilution Method
It is very important to ensure high injection velocity of inert
gas/fresh air for effective gas distribution in the tanks. If the injection
velocity is not sufficient, gas pockets may remain in the bottom part of the
tanks, especially during gas freeing. Fresh air injected with insufficient
velocity will make a "short circuit" and only pass through upper part
of the tanks, because of its lighter density when compared with inert gas
and/or hydrocarbon gas. When purging with the Inert Gas, the density is heavier
than oxygen (fresh air), so that, even if injection velocity is not sufficient,
purging will probably be successful but at the expense of time.
It is preferable however to maintain the require injection velocity.
Increase of injection velocity (V1 means increase of pressure (P2 and
Pi)
Therefore;
Maintain high pressure of supplying inert gas/fresh air in order to
ensure high injection velocity.
In addition, exhaust opening must be of sufficient area, i.e., more
than three(3) times the inlet area. If not, insufficient exhaust area increases
pressure inside of tanks (P3 ). Consequently, pressure difference between
inside of the tank (P3) and injection (P2) is reduced, and then injection
velocity (V1) reduced.

Remark:
To increase pressure at the (P1) close the I.G. Supply valve on other
tanks.
Don't adjust the deck Main Pressure (P1) by tlrottling the I.G. supply
valve on the tank being supplied with Inert Gas/Fresh air.
We show Actual ship's data of MSTs follows.
o
Fig 2-9 Actual ship's data -of MSTS. (90,000 DWT)
These data show Relations between Deck Main Pressure and Gas velocity
in the cargo tanks.

TestResult
Deck Main Press. V1 V2 V3
mm.Aq m/sec. m/sec. m/sec.
380 1.2 0.55 0.25
480 1.5 0.68 0.20
600 1.8 0.88 0.15
700 2.0 1.00 0.24
820 2.3 1.20 0.27
1910 2.5 1.5 0.15
Remarks.
o
Used two blowers (5,500 m/h x 2 sets)
o
Adjusted Deck Main Press. by throttling the I.G. supply valve on No. I
Port and Starboard Tank
o
Gas inlet diameter is 250 mm shown as follows.

Fig.2-10 shows Velocity curves at the points of 8.9 m, 19.5 m, 25 m and
30 m in depth . Both 8.9 m and 19.5 m are actual data, and both 25 m and 30 m
are presumption curves based on above two actual data.

Concerning the above four curves, theoretical gas velocity is more 3 to
4.3 times higher than these curves.
Minimum mixing gas velocity is 0.2 m/sec. theoretically, but it is
better to keep the velocity more over 0.5 m/see. to ensure effective dilution.
For example, if the tank depth is 20 m, keep Deck Main Pressure more
over 350 mm.Aq.
By Displacement Method
Injection velocity must be kept slow in order to minimize gas mixing in
the tank atmosphere. Therefore, purging or gas freeing for this method should
be carried out in more than one tank at a time.
I.G.S. OPERATION RECORD BOOK
It is very important from an I.G.S. operation point of view, to record
I.G.S. operation data in the I.G.S. Record Book. This is also useful for
improvement of operation in future.
According to the following entry procedure the person on duty should
record all I.G.S. data and keep the Book in good order.
ENTRY PROCEDURE
Notwithstanding operation or non-operation, I.G.S. data should be
recorded as required below. Example is attached.
Under Operation.
Data to be recorded every hour after start of I.G.S. Refer to (Fig. 2-1
1) in connection with recording items.
Oxygen content should be confirmed and recorded in the Remarks column
before tank cleaning, or crude oil washing.
Non-Operation
Measurement should be carried out once a day before
Measurement of Oxygen Content
o
Measuremet of O2 % should be carried out once as soon as possible after
sailing
o
On passage, measurement should be carried out when there is some
possibility of fresh air entry to tank, for example, loss of system pressure or
after heavy weather (rolling)
o
Measuring tanks are as follows
·
The nearest tank to vent riser
·
One tank forward (wing tank)
·
One tank aft (wing tank).
Notes
o
Water supply and P/V breaker should be recorded Yes (O) or No (X) after
confirmation of adequate water/oil supply
o
Items re tank condition should be recorded using following words:
a(gas free), b(clean/dirty ballast), c(laden full/half), d(discharging
cargo), e(crude oil washing), f(tank cleaning).
o
In the remarks column the following items should be recorded.
·
I.G.S. trouble and the cause(s)
·
Comments for future operations
·
Others.
o
Scrubber water supply under non-operation means scrubber seal water.